Вимушені електричні кохавання — це незатухаючі коливання заряду, сили струму, напруги та інших величин, викликані ЕРС, що періодично змінюється:
.
Змінний струм — це струм, що змінюється з часом за гармонічним законом:
Будова генератора змінного струму:

1— постійний магніт або електромагніт (статор);

1— постійний магніт або електромагніт (статор);
2 — обертова дротяна рика (ротор);
3 — кільця;
4 — щітки;
5 — ремінь приводу.
За законом електромагнітної індукції миттєве значення ЕРС дорівнює:
За законом Ома сила струму в колі:
Діюче значения сили струму дорівнює силі такого постійного струму, при проходженні якого по колу на активному опорі за той самий час виділяється така ж кількість теплоти, як і при проходженні змінного струму. Діючі зачения сили струму та напруги пов'язані з їх амплітудними значеннями співвідношеннями:
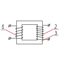
Трансформатор — пристрій, що перетворює напругу змінного струму за незмінної частоти. Будова трансформатора і його позначення на електричних схемах:

1— первинна обмотка, що приєднується до генератора змінного струму і містить певну кількість витків;
2 — вторинна обмотка, що приєднується до споживача (навантаження) і містить іншу кількість витків;
3 — замкнене феромагнітне осердя.
Коефіцієнт трансформації:
Режими роботи трансформатора:
| Холостий хід | Режим навантаження |
|
Вторинна обмотка розімкнена.
Якщо опором первинної обмотки можна, знехтувати, то . При розімкненій вторинній обмотці
Тоді
|
Вторинна обмотка замкнена на споживача.
При незначних втратах енергії у трансформаторі потужності струмів у обох обмотках приблизно однакові, тому .
Якщо трансформатор підвищує напругу, то у стільки ж разів зменшує силу струму у вторинному колі.
|