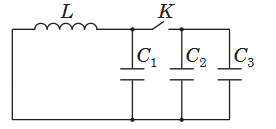
На рисунку зображено схему електричного кола, яке складається з котушки індуктивності L, батереї конденсаторів та ключа K. Уважайте, що електроємності конденсаторів становлять , , .

1. Визначте електроємність батереї конденсаторів, коли ключ K в колі замкнутий.
Відповідь запишіть у мікрофарадах (мкФ).
2. У скільки разів збільшиться період вільних електромагнітних коливань у контурі, якщо ключ K в колі, схему якого зображено на рисунку, замкнути.
Джерела:
Ви повинні авторизуватися, щоб відповісти на завдання. Будь ласка, увійдіть в свій профіль на сайті або зареєструйтеся.