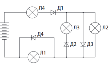
Визначте, яка з лампочок Л1, Л2, Л3 або Л4, зображених на схемі електричного кола, може світитися. Д1, Д2, Д3, Д4 — ідеальні діоди.

Джерела:
Ви повинні авторизуватися, щоб відповісти на завдання. Будь ласка, увійдіть в свій профіль на сайті або зареєструйтеся.